页面
配色
辅助线
重置
简体版| 繁体版| 智能问答 用户空间
支持IPv6
无障碍
当前位置:首页 > 政府信息公开 > 政策文件 > 政府文件 > 北政办
发文单位:钦北区人民政府办公室成文日期:2023年01月30日
标  题:钦州市钦北区人民政府办公室关于印发《钦北区“拿地即开工”工程 建设项目审批模式实施方案(试行)》的通知
发文字号:北政办〔2023〕2号发布日期:2023年01月30日
效力状态:

钦州市钦北区人民政府办公室关于印发《钦北区“拿地即开工”工程 建设项目审批模式实施方案(试行)》的通知

2023-01-30 09:30     来源:钦北区人民政府办公室
收藏 我要收藏 公共资源调用站点 文章分享
分享 微信
头条
微博 空间 qq
【字体: 打印

各镇人民政府,各街道办事处,区直各委、办、局:

《钦北区“拿地即开工工程建设项目审批模式实施方案(试行)》已经区人民政府同意,现印发给你们,请认真组织实施。




2023130

公开式:公开)


钦北区“拿地即开工”工程建设项目

审批模式实施方案(试行)


为进一步优化营商环境,深化“放管服”改革,通过合并审批事项、前移审批服务、压缩审批时限、再造审批流程,推进钦北区工程建设项目审批制度改革,以优质高效服务实施“拿地即开工”工作,结合我区实际、制定本方案。

一、实施范围

钦北区范围内符合规划且已签订投资协议的建设项目(含物流仓储项目)。政府投资的工程建设项目在取得可行性研究报告批复后,可参照本实施方案。下列工程建设项目除外:

(一)涉及易燃易爆危险品、危险化学品的生产和储存或者技术难度特别复杂的项目;

(二)关系到工程质量安全、国家安全和生态环境保护产生严重后果、涉及重大生产力布局、重大公共利益的项目;

(三)交通、水利、能源等领域的重大工程。

二、实施原则

(一)依法依规原则。加强部门间统筹协调,仔细梳理相关法律条文、政策规定,依法依规制定实施方案。

(二)问题导向原则。聚焦解决企业建设项目过程中的“难点”“堵点”问题,以机制创新推动审批服务效率提升。

(三)服务企业原则。变部门“坐等”审批为主动“靠前”服务,营造利于企业投资的营商环境,打造服务型政府。

(四)承诺守信原则。实施“拿地即开工”的项目建设企业应无不良记录,企业信用等级A级以上(含A级),企业自愿申请,并作出相应承诺。

三、实施步骤

(一)申请启动阶段

对符合本实施方案范围的建设项目,项目业主在签订投资协议后,可提出办理“拿地即开工”工程建设项目审批模式的申请,提供建设项目信息。

收到申请后,区“拿地即开工”工程建设项目审批工作领导小组办公室在3个工作日内召集有关部门开会研究,生成项目审批方案(包括企业前期需要做的工作、审批流程),做出是否适用“拿地即开工”模式的意见。(牵头落实单位:区重大项目专班;配合单位:区招商促进局、区发展改革局、区自然资源局、区住房城乡建设局、区水利局、区工业和信息化局、区应急局、钦北生态环境局)

(二)相关前期工作阶段

项目单位通过区“拿地即开工”工程建设项目审批工作领导小组办公室审议后,可并联开展项目征地拆迁、用地预审和选址意见书、水土保持方案、环境影响评价、林地使用许可等相关工作,各职能部门负责指导项目单位开展相关申报工作。(牵头落实单位:区重大项目专班;配合单位:区招商促进局、区发展改革局、区工业和信息化局、区自然资源局、区住房城乡建设局、区水利局、区林业局、区征收中心、钦北生态环境局,各镇人民政府,街道办事处)

(三)用地报批、出让、规划许可和施工许可阶段

1.项目用地报批和土地出让阶段。

完成土地征收等前期工作后,由区自然资源局按规定办理用地报批和土地挂牌出让工作。(牵头落实单位:区自然资源局)

2.规划设计方案编制和审议。

区自然资源局根据《关于印发〈广西壮族自治区建设用地控制指标(2021年修订)〉的通知》(桂自然资发〔202181号)直接出具各项目的规划设计要点,无需再报区土地审查委员会审议。

项目单位按照项目备案文件内容和区自然资源局出具的规划设计条件,聘请有资质的设计单位编制项目规划设计方案(修建性详细规划或建设工程设计方案)。

项目单位提交规划设计方案,区自然资源局组织初步审查和部门联合(专家)评审。项目单位按照评审意见修改完善规划设计方案后,由区自然资源局报区规委会审议。(牵头落实单位:区自然资源局)

3.工程规划许可(承诺审批)。

设计方案通过会议审议后,区自然资源局依照相关规定组织规划设计方案批前公示(7个工作日),并出具规划设计方案审查意见函。项目建设单位签订承诺审批承诺书,并向区自然资源局提出申请,自然资源局接到申请后于4个工作日内办理工程规划许可(承诺审批)。(牵头落实单位:区自然资源局)

4.建设工程消防设计审查阶段。

项目单位委托有资质的施工图审查组机构进行线上施工图审查,审查合格后,向区住房城乡建设局提出申请,区住房城乡建设局接到申请后于5个工作日内出具建设工程消防设计审查意见书。项目单位应同时向钦州市行政审批局人防窗口申请办理人防手续。(牵头落实单位:区住房城乡建设局)

5.施工许可阶段。

项目单位取得人防手续和建设工程消防设计审查意见书后向区住房城乡建设局提出申请办理报监报建手续,区住房城乡建设局接到申请后于2个工作日内办理建筑工程施工许可证。(牵头落实单位:区住房城乡建设局)

(四)土地摘牌、四证联办阶段

项目单位缴纳土地出让价款并办理交地手续,取得国有建设用地使用权出让合同,作为使用土地的证明文件。项目单位提交申请资料,区自然资源局1个工作日内办理不动产首次登记、建设用地规划许可证、并兑现建设工程规划许可证(承诺审批),区住房城乡建设局办理建筑工程施工许可证。(牵头落实单位:区自然资源局、区住房城乡建设局)

四、项目退出机制

(一)项目获得用地指标进入用地挂牌阶段,项目建设单位必须在15个工作日内按缴纳竞买保证金,否则视为放弃“拿地即开工”的申请。

(二)对项目建设相关主体不依据承诺内容缴纳土地出让金办理不动产登记,不按承诺整改的,对存在擅自更改土地用途等问题的项目,将具体情况上报区人民政府批准后,依照相关规定作出退出项目处理,相关费用不予以退还。

五、保障措施

(一)加强组织领导

成立由区人民政府区长任组长,区人民政府分管副区长为副组长,区人民政府办公室、区招商促进局、区发展改革局、区工业和信息化局、区自然资源局、区住房城乡建设局、区水利局、区应急局、区林业局、钦北生态环境局、区征收中心为成员的钦北区“拿地即开工”工程建设项目审批工作领导小组。领导小组下设办公室,办公室设在区重大项目专班,牵头全区“拿地即开工”工程建设项目审批工作的具体实施。

(二)健全配套制度

各有关部门要按照本实施方案,针对调整优化后的各类行政审批、技术审查事项,制定相应措施,明确审批流程、办结时限、前置条件,更新相应的办事指南,编制告知承诺的规范格式。建立审批协调机制,协调解决部门意见分歧,确保审批各阶段、各环节无缝衔接。

(三)建立容错免责机制

根据《钦北区激励干部改革创新勇于担当容缺纠错实施办法(试行)》(钦北办发〔201735号)精神,在行政审批制度改革创新中因先行先试,未通盘考虑造成一定不良影响,但符合支持干事创新,容错失误情形的,可以按程序向调查机关或问责决定机关提出容错申请,终止实施问责或减免责任。

(四)完善考评机制

建立“拿地即开工”工程建设项目审批模式考核机制,重点考核评价各审批部门容缺受理、精简审批环节、合并审批事项、调整审批时序等情况,对完成较好的单位(部门)可予以一定的绩效加分。


附件:1.钦北区“拿地即开工”工程建设项目审批模式流程图

2.钦北区工程建设项目信息表

3.钦北区“拿地即开工”工程建设项目审批模式申请书

4.钦北区“拿地即开工”工程建设项目审批模式试点资格审核表

5.拿地即开工”审批模式通知单

6.各部门审批事项内部审查意见

7.钦北区“拿地即开工”工程建设项目审批模式企业承诺书




















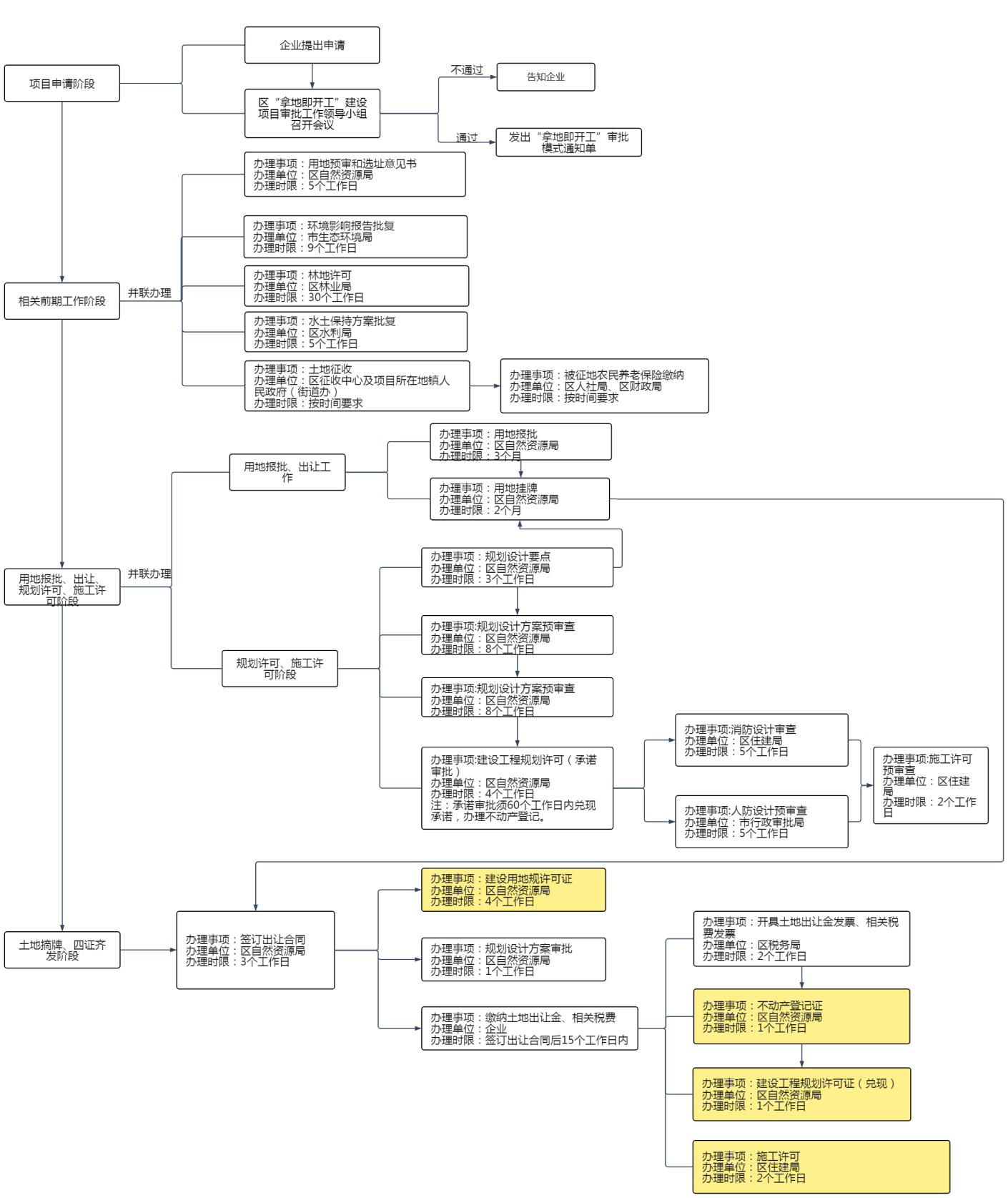
附件1


钦北区“拿地即开工”工程建设项目

批模式流程图





















附件2

钦北区工程建设项目信息表

申报单位
信息(必填)

单位名称


单位性质


单位证照类型

备注:政府机关、事业单位、社会团体、国有及国有控股企业、股份制企业、集体企业、私营企业、个体工商户、港澳台及外资企业、其他。任选其一填写。

单位证照号码

备注:1.企业营业执照;2.组织机构代码证(企业法人);3.组织机构代码证(国家机关法人);4.组织机构代码证(事业单位法人);5.组织机构代码证(社会团体法人);6.统一社会信用代码7.其他。任选其一填写。

项目法人姓名/法人单位

备注:若项目申报单位与项目法人单位相同,请与项目申报单位名称填写一致。

项目法人证照类型

备注:1.企业营业执照;2.组织机构代码证(企业法人);3.组织机构代码证(国家机关法人);4.组织机构代码证(事业单位法人);5.组织机构代码证(社会团体法人);6.统一社会信用代码;7.其他。任选其一填写。

项目法人证照号码


单位联系人姓名


单位联系人手机


单位联系人邮箱


建设
项目
信息
(必填)

项目名称


土地获取方式

备注:划拨用地、自有用地、公开出让用地、协议出让用地、租赁、其他。

工程分类

备注:民用建筑、工业建筑、构筑物、城市供水与节水工程、城市排水防涝工程、城市燃气工程、城市园林绿化工程、城市环境卫生工程、水利水电工程、装饰装修工程、其他。

立项类型

备案/核准

建设性质

备注:新建、扩建、迁建、改建、其他。任选其一填写。

项目拟开工时间

(必填,后可调整)

项目拟建成时间

(必填,后可调整)

总投资额(万元)

备注:精确到万元(人民币)

项目资金属性

备注:国有控股投资项目、民间固定资产投资项目、其他项目。任选其一填写。

项目建设规模和内容

(可另附说明)

(必填,后可调整)

项目申报时间

年    月    日

用地面积(平方米)


建筑面积(平方米)


项目建设地点


项目建设地点经度
(准确到"


项目建设地点纬度
(准确到"


是否为开发区项目


开发区名称

(不是开发区可不填)

是否为外资投资项目


建设项目其他信息

勘察单位名称


设计单位名称


勘察单位
法人代表


设计单位
法人代表


勘察单位
项目负责人


设计单位
项目负责人


勘察单位
联系人


设计单位
联系人


勘察单位
联系人联系方式


设计单位联系人

联系方式


建设
项目
信息
(必填)

国标行业

备注:参照“国标行业”(国民经济行业分类),至少细分到二级分类。(投资项目股窗口应对该项信息填写提供指导)

产业结构

境内固定资产投资项目填写且必填,代码取自产业结构调整指导目录,境内固定资产投资项目填写且必填。(投资项目股窗口应对该项信息填写提供指导)

生产建设项目水土保持方案编制单位名称


生产建设项目水土保持方案编制单位联系人及联系方式


排污口设置(涉及江河、湖泊新建、改建或者扩大排污口审核的项目需填写)

项目位置


排入水体名称


排入的水功能区


排污口经度(准确到"


排污口纬度
(准确到"


建设项目环境影响评价(涉及环境影响评价的项目需填写)

项目经度


项目纬度


环评单位名称环评


单位
联系人电话


环保投资
(万元)


建设项目环评分类管理名录类别


判定是否需要开展节能评估标准

综合能耗(是否综合能源消费量1000吨标准煤以上,或年电力消费量500万千瓦时以上)


建筑面积(是否超过20000㎡)


取水许可审批

年取水量(


取水类型

备注:项目所在地的水厂、江河、湖泊、地下水。任选其一填写。

项目已完成的审批事项


附件3


钦北区“拿地即开工”工程建设项目

审批模式申请书


钦北区“拿地即开工”工程建设项目审批工作领导小组办公室

XXX企业就XXX项目申请“拿地即开工”审批模式。

XXX项目总投资XXXX……(项目概况)。因公司生产需求,申请按照《钦北区“拿地即开工”工程建设项目审批模式实施方案(试行)》有关要求办理相关审批手续。

特此申请,恳请批复。



XXX企业       


XXXXXX

申请人:

职位:

联系电话:



附件4


钦北区“拿地即开工”工程建设项目审批模式

试点资格审核表



项目建设单位:(盖章)

项目名称


项目地址


项目建设单位


法人姓名


身份证号码


估算总投资(万元)


项目代码


经办人


联系电话


项目概况









拟建设单体

序号

名称

层数

首层建筑面积(㎡)

总建筑面积(㎡)

1





2





3





4





项目类型

1.工业项目;

2.政府投资工程建设项目。

县行政审批局

意见

同意纳入改革试点;

不同意,理由如下:

1.

2.

(盖章)

年   月  日

备注:1.土地权属以土地部门出让(划拨)文件为准;

2.如预审批结束后土地权属未取得或边界修改,审批过程中产生的责任由企业自行承担。

附件5


拿地即开工”审批模式通知单


各相关审批部门:

XXX项目,经钦北区“拿地即开工”工程建设项目审批工作领导小组办公室审核确认,其适用拿地即开工审批模式,现正式进入预审批流程,请按《钦北区“拿地即开工工程建设项目审批模式实施方案(试行)》有关要求办理相关审批手续。

特此通知。

                                         钦北区“拿地即开工”工程建设项目审批工作领导小组办公室

    月  日









附件6


各部门审批事项内部审查意见

(以工程规划许可证内部审查意见为例)

XXX企业:

XXX项目申请“拿地即开工”审批模式,依据企业提供的申请材料,总平图、建筑设计方案审定已审查通过。现准许该项目取得项目用地出让(划拨)文件并达到法定审批条件后,持出让(划拨)文件及本意见向我局办理窗口申请,缴纳应缴费用后,我局将预审批意见转化为正式审批文件,即工程规划许可证的核发。


钦州市钦北区自然资源局

年 月 日



附件7

承诺书编号:

钦北区“拿地即开工”工程建设项目审批模式

企业承诺书

(格式样本)

根据《钦北区“拿地即开工”工程建设项目审批模式实施方案(试行)》              (建设单位名称)          日申报                           (项目名称)项目,相关情况备案及承诺如下:

一、项目基本情况

项目名称:                          

建设地点:                          

建设类别:□基建项目 □技改项目 □其它

建设性质:□新建 □扩建 □改建 □其它

建设规模及内容:                          

(包括建设规模、主要内容、产品名称、设计生产能力、主要设备选型及技术标准、占地面积以及建筑面积等情况。根据审批事项的具体要求填写。)

项目总投资:            万元

计划开工时间:           

计划竣工时间:           

(该部分由审批单位参照以上内容,按照实际需要填写,能反映项目基本情况,具体审批事项关注内容即可。)

二、建设单位基本情况

建设单位名称:                          

(按照营业执照或组织机构代码证名称填写,填写规范全称)

营业执照注册号(社会信用代码):                       

组织机构代码:               

法定代表人姓名、身份证类型及号码:

                                                    

项目直接负责主管人员姓名、身份证类型及号码:

                                                             

相关工作直接负责人姓名、身份证类型及号码:

                                                             

工作联系人姓名、联系方式(含固定电话、手机、电子邮箱、公司通信地址):

                                                               

(以上内容,原则上必须全部填写。其他信息,可以根据实际情况增加。)

三、承诺内容

我单位承诺按照国家、自治区以及钦州市相关法律法规、行业规定,以及《钦北区“拿地即开工”工程建设项目审批模式实施方案(试行)》相关规定,依法办理完善节能审查、环境影响评价、水土保持方案、建设项目地质灾害危险性评估报告审查等手续,按时履行承诺,具体承诺条款详见附件(如项目涉及上述行政许可事项,则需办理相关手续;如不涉及,则无需办理)。

四、其它承诺

(一)我单位将根据《钦北区“拿地即开工”工程建设项目审批模式实施方案(试行)》规定,由审批事项主管单位确定的报送审批资料的时限前,按照本承诺书的约定,提交符合规定的审批事项相关资料。

(二)我单位将在项目建设地显著位置张贴、在广西投资在线并联审批监管平台公示该承诺书,接受公众监督。并积极配合管理部门,接受全过程监管,按监管要求配合完成相关工作。

(三)我单位将在本承诺书生效后,在             (报告履信情况的约定时间),书面报告履信情况,重大情况将及时报告。

……

(以上3条列入承诺书,其他需承诺内容,由审批单位根据实际情况增加)

我单位特声明如下:

1.自愿签订本承诺书。

2.相关人员已经清晰、全面了解《钦北区“拿地即开工”工程建设项目审批模式实施方案(试行)》的规定以及在本承诺书所作的全部承诺内容。

3.我单位未履行承诺造成的经济损失由我单位自行承担。

4.实施、运营过程中如违背上述承诺,我单位以及法定代表人、项目直接负责主管人员、相关工作直接负责人愿按照《钦北区“拿地即开工”工程建设项目审批模式实施方案(试行)》等规定,接受失信联合惩戒。

5.对所提交资料和填报内容的真实性、合法性、准确性、完整性负责。

承诺单位:                            (签章)

法定代表人:                          (签字)

项目直接负责主管人员:                (签字)

相关工作直接负责人:                  (签字)

县级政务服务部门:                    (签章)


附件:企业承诺条款


年    月    日



















附件

企业承诺条款

(格式范本)


根据《钦北区“拿地即开工”工程建设项目审批模式实施方案(试行)》要求,我公司在钦州市钦北区投资建设的XX项目,自愿参与建设项目“拿地即开工”承诺制审批,遵守有关的管理规定,申请容缺办理竣工前的相关审批手续,郑重承诺自项目立项之日起,至项目完工之日止,严格按照相关审批、监管部门和单位的要求,依法依规完成下列事项:

一、根据《中华人民共和国城乡规划法》等法律法规有关规定,严格按照规划部门核发的规划设计条件及相关技术管理规定规范,开展方案设计,并在规划条件核实前将建设工程设计方案(含人防地下室设计方案)报区住房城乡建设局审查,直至合格备案。

二、严格按照经审查的建设工程设计方案(含人防地下室设计方案)成果图纸和内容组织施工。

三、在项目开工前申请办理完成建设用地手续(包括建设用地规划许可、土地不动产证)、建设工程规划许可、建设工程施工许可。

四、在建设施工场地临近主干道、集散广场或人流较集中区域悬挂建设工程规划许可内容及附图的公示牌。

五、严格按照承诺的建设工程技术方案施工。

六、施工图设计文件应符合国家标准规范,所有新建扩建项目、现状改变项目应在底板施工前取得审查合格书,内部改造项目应在正式施工前取得审查合格书。

七、项目施工过程中,随时接受有关执法部门的监督检查。对违反规定建设和违背自身承诺的行为自行限期改正,逾期不改正自愿接受相关处罚。

八、项目开工前,完成规划、建设、消防、人防、气象、环评等相关行业主管部门涉及的行政审批事项。

九、建设工程竣工验收前,向区住房城乡建设局申请联合验收,并报送有关规划资料。

十、对办理规划行政许可所提交的有关申请材料的真实性负责,并承担因提交材料不真实而造成相关问题的一切法律责任。

十一、在项目建设过程中,严格依法用地和节约集约用地。

十二、履行《中华人民共和国消防法》等法律法规,严格按照工程建设消防技术标准进行消防设计。执行《建设工程施工现场消防安全技术规范》要求,确保施工现场消防安全。建设、设计、施工、工程监理等单位依法对建设工程的消防设计、施工质量负责。依法办理建设工程消防行政许可或备案抽查手续。如存在消防安全违法行为,自觉接受相应处罚。

十三、在项目建设过程中,严格按照《中华人民共和国森林法》、《建设项目使用林地审核审批管理办法》(国家林业局令第35号)执行。

十四、在项目建设过程中,主动、及时申办园林绿化相关行政许可手续:

(一)在项目施工过程中,涉及城市绿地、树木审批以及国家重点工程确需移植古树名木的,在动工之前完成工程建设涉及城市绿地、树木审批手续。

(二)在项目附属绿化工程完工后,及时办理附属绿化工程的竣工验收审批手续。

十五、本项目施工期直至获得正式排水许可证前严格遵行排水许可有关规定:

(一)临时排水中有沉淀物,足以造成排水设施堵塞或损坏的,主动修建预沉设施,且临时排水需经沉设施处理并符合《污水排入城镇下水道水质标准》(GB/T319622015)的要求后,方可接入指定的排水系统。

(二)室外排水工程(包括与市政排水系统接口部分)施工设计在报经市政部门批准后再展开施工,室外排水工程(包括与市政排水系统接口部分)施工完毕立即报请城市管理监督部门组织验收,合格后才能交付使用。

(三)室内外严格实行雨水、污水分流,雨水管道和污水管道不混接。

(四)不向道路、公共绿地和其他公共场所排水。

(五)不发生下列损害排水设施的行为:

1.占压、拆卸、穿凿、挖掘、堵塞、填埋、移动排水设施或影响、改变其功能。

2.在排水设施安全防护范围内进行爆破、明火作业、打桩、修建建筑物或构筑物、植树、埋杆。

3.圈占、覆盖检查井和雨水箅子。

4.向排水管道进出口、检查井、雨水箅子和排水明沟内倾倒垃圾、粪便、渣土、杂物、污泥等废弃物。

5.将油污、施工泥浆等直接排入排水设施。

6.向排水设施排放有毒、有害、易燃、易爆等物质。

7.未采取消能措施,向排水管渠直接加压排水。

8.其他损害排水设施的行为。

(六)若上述承诺未兑现或仅部分兑现,自觉接受有关处罚。

十六、根据《工伤保险条例》《广西壮族自治区劳动和社会保障厅关于贯彻实施工伤保险条例有关问题的通知》《钦州市企业职业工伤保险制度》《钦州市企业社会工伤保险法》等有关文件规定,在项目开工前,到项目所在地的社会保险部门申报办理从业人员参加工伤保险相关手续。

十七、根据相关文件规定,就工程项目申报缴纳工资保证金事项作如下承诺:

(一)在项目施工后1个月内,主动向社会保障部门申报缴纳工资保证金并及时完成资金进账或银行保函业务,开设工人工资支付分账专用账户。

(二)全面依法实施劳动合同制度,实行实名制劳动用工管理,建立职工名册,办理劳动用工备案。工程建设项目建立劳动计酬手册,并在工程项目部配备劳资专管员,建立施工人员进出场登记制度和考勤计量、工资支付等管理台账。

(三)建立农民工工资(劳务费)专用账户管理制度,在工程项目所在地指定银行开设农民工工资(劳务费)专用账户,由建设单位每月按工程进度按月足额将人工费支付到专用账户,并由施工单位委托银行按月代发农民工工资。绝不将工资发放给不具备用工主体资格的单位或个人。我公司分包企业等用人单位与农民工解除或终止劳动关系时,须在解除或终止劳动关系当日内结清劳动者工资,并出具书面证明。

(四)承诺在施工现场醒目位置设立农民工维权信息告示牌,向农民工公示所建项目的建设单位、施工总承包企业、劳务和分包企业的总部详细地址、法定代表人(主要负责人)姓名和联系电话,施工总承包企业和分包企业项目经理和劳资专管员姓名、联系方式;同时公示施工所在县(市、区)的最低工资标准,本项目农民工工资每月的具体支付日期,施工所在地行业主管部门、劳动监察机构、劳动人事争议仲裁机构的详细办公地址和投诉电话等信息。

(五)落实企业工资支付和清偿主体责任。各类企业依法向招用的农民工本人按月足额支付工资,严禁将工资支付给其他组织或个人,发生拖欠工资问题承担清偿主体责任。

在工程建设领域,建设单位对所发包工程项目的农民工工资支付负监管责任,施工总承包企业对所承包工程项目的农民工工资支付负总责,分包企业对所招用农民工的工资支付负直接责任。建设单位或施工总承包企业未按合同约定及时划拨工程款,致使分包企业拖欠农民工工资的,由建设单位或施工总承包企业以未结清的工程款为限先行垫付农民工工资。由于建设单位、施工总承包企业或分包企业将工程违法发包、转包或违法分包给不具备用工主体资格的单位或个人,致使拖欠农民工工资的,作为发包方的用人单位应当先支付工资,再依法向承包人追偿。

(六)自觉接受劳动部门的监督检查,及时改正检查中发现的问题。

(七)在项目施工过程中如出现拖欠农民工和工人工资的, 由劳动保障部门及建设部门从工资保证金中予以支付,已支取的部分由我公司在30个工作日内补缴垫付资金。

(八)在实施过程中如有违反承诺的,立即停工整改,经整改仍未达标的,主动接受相关部门依法依规追究相关责任。

十八、在项目动工前,及时到区住房城乡建设局办理建筑垃圾处置核准手续,在手续齐全的条件下对建筑渣土予以处置,并保证文明施工。如果出现未经核准擅自处置建筑渣土的行为,自觉接受相应处罚。

十九、在项目主体工程开工前完成水土保持方案许可手续;按规定缴纳水土保持补偿费;项目建设过程中及时建设水土保持设施,预防水土流失;项目主体工程开工前完成水土保持设施自主验收,并向水利部门报备。

二十、根据《建设项目环境影响评价分类管理名录》和《广西壮族自治区建设项目环境影响评价文件分级审批管理办法》, 对属于需要编制环境影响报告书(表)的建设项目纳入承诺办理事项,对属于环境影响登记表的执行网上自主备案。项目需符合各级环境保护规划及园区规划环境影响评价,满足“三线一单”(即生态保护红线、环境质量底线、资源利用上线、环境准入负面清单)。

二十一、根据有关规定和要求,承诺办理以下事项(可选):

(一)自然资源部门—在规划条件核实前申请建设工程设计方案审查、申办建设工程规划许可证、缴纳城市基础设施配套费。

(二)税务部门—缴纳相关税费。

(三)人力资源社会保障部门—申报缴纳工资支付保证金,开设工人资金支付分账专用账户,办理建筑行业工伤保险。

(四)生态环境部门—申报建设项目环境影响评价文件审批和建设项目发生重大变动的重新报批。

(五)住房城乡建设部门—申请办理施工图设计审查备案。

(六)应急部门—建设项目安全生产“三同时”及职业卫生“三同时”。

(七)发展改革部门—申请办理项目备案手续。

(八)行政审批部门—申请固定资产投资项目节能评估和审查、项目核准、水土保持方案、水资源论证、河道管理范围内建设项目工程建设方案、防洪影响评价审批。

(九)文物管理部门—申请出具工程建设文物保护意见。

二十二、我公司承诺不以任何理由,要求建筑设计单位或建筑施工单位在工程设计或施工中,违反法律、行政法规和行业标准,降低工程质量。不在编制工作量清单时,缩减或取消图纸设计内容。我公司作为工程质量的第一责任人,会切实履行好自己的职责,不肢解工程,违法发包,会监督施工单位严格按照设计图纸施工,并及时组织工程竣工验收,按时支付工程款。

二十三、其他承诺事项:

(填写未提供的资料项目)

如我公司违反上述承诺,自愿停止建设,接受相关行政处罚,作为企业不良信用记录,纳入公共信用信息平台进行公示,并主动承担所产生的一切法律责任和经济损失。


文件下载:

关联文件:

    扫一扫在手机打开当前页

    ./t17441095_ext.json